Liquid Check Valve . Parker provides the industry's widest selection of check valves, available in a variety of end connections. Helping to protect equipment and processes. Our valves are used in a diverse. The operation, benefits, applications and selection of. Find your fluid check valve easily amongst the 524 products from the leading brands (the lee company, clippard, norgren,.) on.
from shop.shepherd-hydraulics.com
Helping to protect equipment and processes. The operation, benefits, applications and selection of. Parker provides the industry's widest selection of check valves, available in a variety of end connections. Find your fluid check valve easily amongst the 524 products from the leading brands (the lee company, clippard, norgren,.) on. Our valves are used in a diverse.
2" BSP Parallel Male Check Valve Check Valve Shepherd Hydraulics
Liquid Check Valve Our valves are used in a diverse. Our valves are used in a diverse. The operation, benefits, applications and selection of. Parker provides the industry's widest selection of check valves, available in a variety of end connections. Find your fluid check valve easily amongst the 524 products from the leading brands (the lee company, clippard, norgren,.) on. Helping to protect equipment and processes.
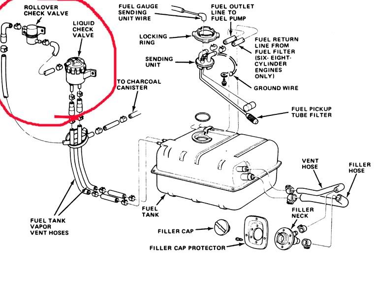
From www.jeepforum.com
Replacements for Liquid Check Valve/Roll Over valve Page 4 Liquid Check Valve The operation, benefits, applications and selection of. Find your fluid check valve easily amongst the 524 products from the leading brands (the lee company, clippard, norgren,.) on. Our valves are used in a diverse. Parker provides the industry's widest selection of check valves, available in a variety of end connections. Helping to protect equipment and processes. Liquid Check Valve.
From www.smucker.net
[11.5] Liquid 6lb. Check Valve 1/4"HB X 1/4"MPT (LM1414) Landmarks Liquid Check Valve The operation, benefits, applications and selection of. Parker provides the industry's widest selection of check valves, available in a variety of end connections. Find your fluid check valve easily amongst the 524 products from the leading brands (the lee company, clippard, norgren,.) on. Helping to protect equipment and processes. Our valves are used in a diverse. Liquid Check Valve.
From www.mscdirect.com
USA Industrials Check Valves; Design Check Valve; Valve Type Check Liquid Check Valve Helping to protect equipment and processes. The operation, benefits, applications and selection of. Find your fluid check valve easily amongst the 524 products from the leading brands (the lee company, clippard, norgren,.) on. Parker provides the industry's widest selection of check valves, available in a variety of end connections. Our valves are used in a diverse. Liquid Check Valve.
From www.jeepforum.com
Replacements for Liquid Check Valve/Roll Over valve Liquid Check Valve Find your fluid check valve easily amongst the 524 products from the leading brands (the lee company, clippard, norgren,.) on. Our valves are used in a diverse. The operation, benefits, applications and selection of. Parker provides the industry's widest selection of check valves, available in a variety of end connections. Helping to protect equipment and processes. Liquid Check Valve.
From www.indotrading.com
Jual Check Valve Stainless Steel Sus304 Harga Murah Jakarta oleh PT Liquid Check Valve Our valves are used in a diverse. Parker provides the industry's widest selection of check valves, available in a variety of end connections. Helping to protect equipment and processes. The operation, benefits, applications and selection of. Find your fluid check valve easily amongst the 524 products from the leading brands (the lee company, clippard, norgren,.) on. Liquid Check Valve.
From liquidsystems.com.au
Liquid Systems Check Valve Boots Liquid Systems Liquid Check Valve Helping to protect equipment and processes. The operation, benefits, applications and selection of. Parker provides the industry's widest selection of check valves, available in a variety of end connections. Find your fluid check valve easily amongst the 524 products from the leading brands (the lee company, clippard, norgren,.) on. Our valves are used in a diverse. Liquid Check Valve.
From www.ecvv.com
aluminum liquid check valve from China Manufacturer, Manufactory Liquid Check Valve Find your fluid check valve easily amongst the 524 products from the leading brands (the lee company, clippard, norgren,.) on. Our valves are used in a diverse. The operation, benefits, applications and selection of. Helping to protect equipment and processes. Parker provides the industry's widest selection of check valves, available in a variety of end connections. Liquid Check Valve.
From www.eccentric-butterflyvalve.com
Swing Type Toxic Liquid Check Valve PTFE Long Pattern Fluoropolymer Liquid Check Valve Find your fluid check valve easily amongst the 524 products from the leading brands (the lee company, clippard, norgren,.) on. Helping to protect equipment and processes. The operation, benefits, applications and selection of. Our valves are used in a diverse. Parker provides the industry's widest selection of check valves, available in a variety of end connections. Liquid Check Valve.
From valveman.com
How Do Check Valves Affect Water Pressure in the Piping System Liquid Check Valve The operation, benefits, applications and selection of. Our valves are used in a diverse. Helping to protect equipment and processes. Parker provides the industry's widest selection of check valves, available in a variety of end connections. Find your fluid check valve easily amongst the 524 products from the leading brands (the lee company, clippard, norgren,.) on. Liquid Check Valve.
From eft-cz.en.made-in-china.com
Warrantly 1 Year DxfM Series Check Valves for Liquid Line and Liquid Check Valve The operation, benefits, applications and selection of. Find your fluid check valve easily amongst the 524 products from the leading brands (the lee company, clippard, norgren,.) on. Our valves are used in a diverse. Parker provides the industry's widest selection of check valves, available in a variety of end connections. Helping to protect equipment and processes. Liquid Check Valve.
From jasc-controls.com
Revolutionary Design & Refurbishable JASC's Liquid Fuel Check Valves Liquid Check Valve Our valves are used in a diverse. The operation, benefits, applications and selection of. Find your fluid check valve easily amongst the 524 products from the leading brands (the lee company, clippard, norgren,.) on. Parker provides the industry's widest selection of check valves, available in a variety of end connections. Helping to protect equipment and processes. Liquid Check Valve.
From www.petecosupply.com
Liquid Check Valve Retrofit Kit to Replace LM0020 LM0011R Liquid Check Valve Our valves are used in a diverse. Parker provides the industry's widest selection of check valves, available in a variety of end connections. The operation, benefits, applications and selection of. Helping to protect equipment and processes. Find your fluid check valve easily amongst the 524 products from the leading brands (the lee company, clippard, norgren,.) on. Liquid Check Valve.
From www.simmonsmfg.com
Submersible Check Valve Stainless Steel Simmons Manufacturing Company Liquid Check Valve Parker provides the industry's widest selection of check valves, available in a variety of end connections. Our valves are used in a diverse. Find your fluid check valve easily amongst the 524 products from the leading brands (the lee company, clippard, norgren,.) on. The operation, benefits, applications and selection of. Helping to protect equipment and processes. Liquid Check Valve.
From thefluidpowercatalogue.com
10mm OD Check Valve The Fluid Power Catalogue Liquid Check Valve Our valves are used in a diverse. Parker provides the industry's widest selection of check valves, available in a variety of end connections. Find your fluid check valve easily amongst the 524 products from the leading brands (the lee company, clippard, norgren,.) on. Helping to protect equipment and processes. The operation, benefits, applications and selection of. Liquid Check Valve.
From www.sanitary-valve-fittings.com
Sanitary Stainless Steel Threaded Check Valve, China check valve Liquid Check Valve Parker provides the industry's widest selection of check valves, available in a variety of end connections. The operation, benefits, applications and selection of. Helping to protect equipment and processes. Find your fluid check valve easily amongst the 524 products from the leading brands (the lee company, clippard, norgren,.) on. Our valves are used in a diverse. Liquid Check Valve.
From thefluidpowercatalogue.com
3" WELD END CHECK VALVE The Fluid Power Catalogue Liquid Check Valve Find your fluid check valve easily amongst the 524 products from the leading brands (the lee company, clippard, norgren,.) on. Parker provides the industry's widest selection of check valves, available in a variety of end connections. Our valves are used in a diverse. Helping to protect equipment and processes. The operation, benefits, applications and selection of. Liquid Check Valve.
From www.pirate4x4.com
Jeep CJ7 liquid check valve and roll over check valve Pirate 4x4 Liquid Check Valve Our valves are used in a diverse. The operation, benefits, applications and selection of. Find your fluid check valve easily amongst the 524 products from the leading brands (the lee company, clippard, norgren,.) on. Parker provides the industry's widest selection of check valves, available in a variety of end connections. Helping to protect equipment and processes. Liquid Check Valve.
From www.grainger.com
HAMLET Check Valve 802N66H410SSN3/83PSI Grainger Liquid Check Valve Parker provides the industry's widest selection of check valves, available in a variety of end connections. Helping to protect equipment and processes. Our valves are used in a diverse. The operation, benefits, applications and selection of. Find your fluid check valve easily amongst the 524 products from the leading brands (the lee company, clippard, norgren,.) on. Liquid Check Valve.